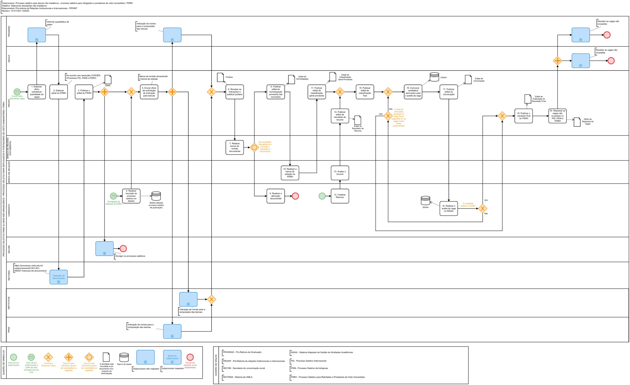
Objetivo: Selecionar estudantes não brasileiros
10.011/001-122025 – Processo seletivo para alunos não brasileiros – processo seletivo para refugiados e portadores de visto humanitário / PSRH
Unidades envolvidas
Informações complementares
| Campo | Descrição |
|---|---|
| Nº do Subprocesso | 10.011/001-122025 |
| Macrounidade | PROINT - |
| Gestor do Subprocesso | Pró-reitor(a) da Pró-Reitoria de Relações Institucionais e Internacionais |
| Mapa elaborado por | Andrea da Silva de Barros, Beatriz de Arruda Dias, Fabíola Belini, Fabiana Cristiane Lagasse e Vanessa Viquetti Lowenberg |
| Data cadastro | 10 de dezembro de 2025, 12:56 |
| Última atualização | 10 de dezembro de 2025, 12:56 |
| Processo Relacionado |