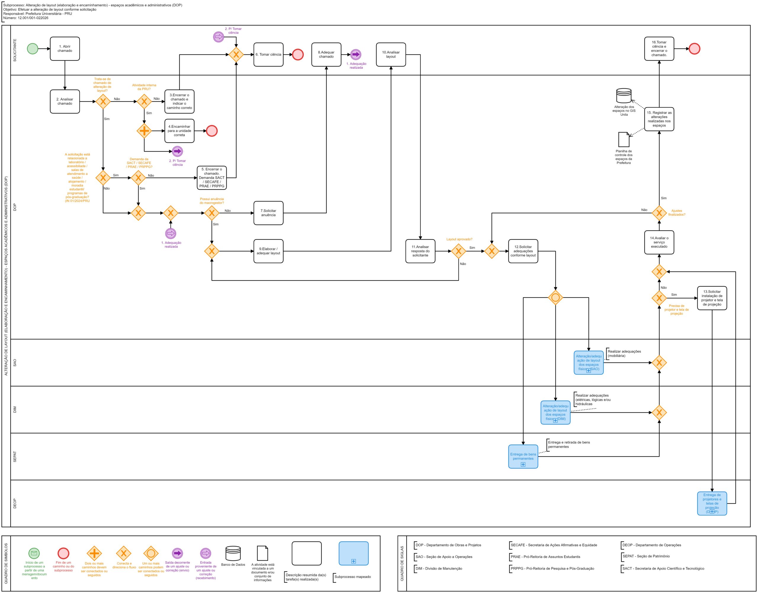
Objetivo: Efetuar a alteração de layout conforme solicitação
12.001/001-022026 – Alteração de layout (elaboração e encaminhamento) – espaços acadêmicos e administrativos (DOP)
Unidades envolvidas
Informações complementares
| Campo | Descrição |
|---|---|
| Nº do Subprocesso | 12.001/001-022026 |
| Macrounidade | PREFEITURA - |
| Gestor do Subprocesso | Prefeito(a) da Prefeitura Universitária da Unila |
| Mapa elaborado por | Wesley Gabriel Locatelli Machado, Ivan Dario Gomez Araujo, Greicy Gonzalez Andersen e José Antonio Kazienko Sallet |
| Data cadastro | 09 de fevereiro de 2026, 10:37 |
| Última atualização | 09 de fevereiro de 2026, 10:37 |
| Processo Relacionado |