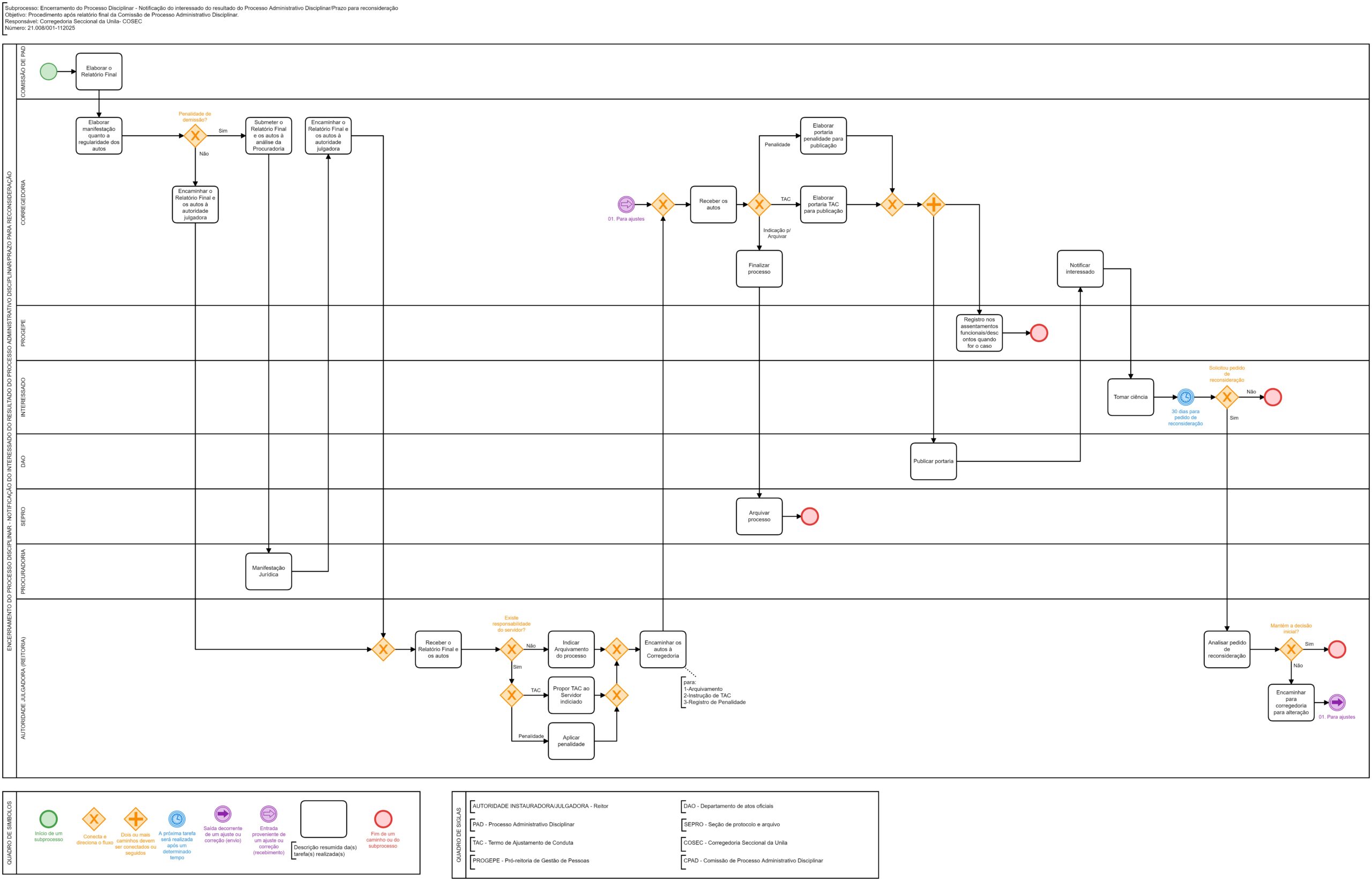
Objetivo: Procedimento após relatório final da Comissão de Processo Administrativo Disciplinar.
21.008/001-112025 – Encerramento do Processo Disciplinar – Notificação do interessado do resultado do Processo Administrativo Disciplinar/Prazo para reconsideração
Unidades envolvidas
Informações complementares
| Campo | Descrição |
|---|---|
| Nº do Subprocesso | 21.008/001-112025 |
| Macrounidade | CORREGEDORIA - |
| Gestor do Subprocesso | Corregedor(a) da Corregedoria Seccional da Unila |
| Mapa elaborado por | Douglas Felipe Galvão |
| Data cadastro | 28 de novembro de 2025, 11:16 |
| Última atualização | 28 de novembro de 2025, 11:16 |
| Processo Relacionado |