99.003/002-022026 – Cobrança de valores a recuperar via processo administrativo

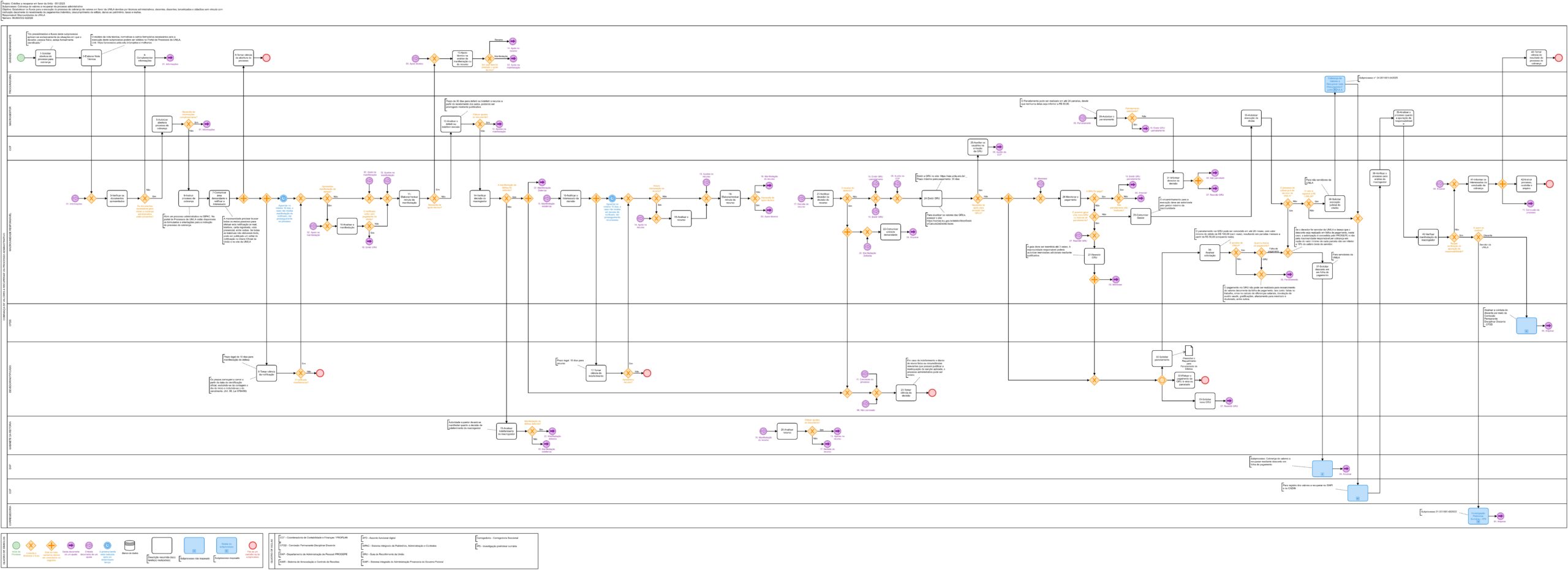
Projeto: Créditos a recuperar em favor da Unila – 001/2023

Objetivo: Estabelecer os fluxos para a execução do processo de cobrança de valores em favor da UNILA devidos por técnicos administrativos, docentes, discentes, terceirizados e cidadãos sem vínculo com instituição decorrente do recebimento de pagamentos indevidos, descumprimento de editais, danos ao patrimônio, taxas e multas.

Informações complementares

Campo Descrição
Nº do Subprocesso 99.003/002-022026
Macrounidade *PROJETOS -
Gestor do Subprocesso Luiz Carlos Krudycz
Mapa elaborado por Escritório de Processos - EP
Data cadastro 01 de setembro de 2025, 11:33
Última atualização 10 de fevereiro de 2026, 11:01
Revisão do mapa 002 - 10/02/2026
Processo Relacionado